

灰库系统由灰库本体库顶设备、排气、料位指示料位计、灰库气化系统、卸料系统等组成。
主要设备有:库体(混凝土结构或钢结构)、脉冲袋式除尘器、压力真空释放阀、库底卸料器、双轴加湿搅拌机、干灰散装机、空气电加热器、气化风机、气化槽等。
一:灰库可根据用户要求,采用混凝土结构或钢结构,容积规格根据用户需求设计。
二、库顶设备及料位指示料位计
1.在灰库的库顶设一台终端卸灰箱,所有输灰管道送过来的灰通过该卸灰箱落至灰库内。该设备密封性良好,内衬耐磨钢板以确保使用寿命。
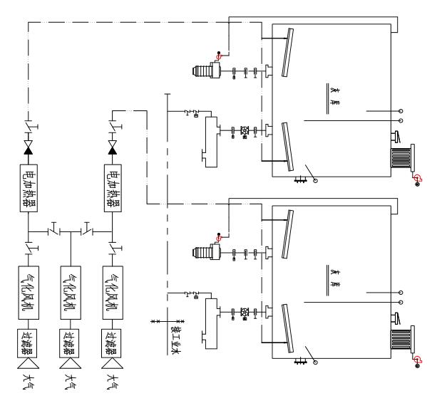
2. 脉冲库顶除尘器:该产品是针对火力发电厂灰库、渣库工况条件专门设计的高效净化专用设备。
3. 压力真空释放阀:在充气排气和不正常的温度变时,保护容器不受过量的正压和负压。每座灰库设置一台508型压力真空释放阀为保护灰库长期稳定、安全运行。
4. 高、低点料位计和连续料位计,能显示灰位的高低,确保灰库正常、安全、运行。
三、灰库气球系统
1.灰朝汽化风由灰库气化风机提供,空气经电加热器加热后进入每座灰库底翻汽化装置,使灰库内的灰处于流态化状态,以便于卸料。
2.为确保卸料顺利,下部设有气化装置和卸料装置。
3.灰库气化装置采用QH气化槽。
四、库底卸料系统
在灰库的底部设置一个排灰口,下设一台KD型双侧库底卸料器,其中一侧为干灰排放口,其下设一台干灰散装机,装车供外部综合利用;另一侧为湿灰排放口,设一台XSO型双轴搅拌机,干灰经加适量水后装自卸汽车运送至灰场,确保粉尘无二次飞扬。
1. 双轴搅拌加湿机:灰库下部干灰加湿搅拌设备,湿度可调,并在进料口设置挡灰板,防止水雾反串,密封性好,搅拌均匀箱体底部的分水岭的设置确保设备内无死角,剩灰率低。
2.干灰散装机:散装头采用三绳驱动,上升、下降平稳,散装头采用锥面加密封圈,装车时,密封性好,驱动电机为电磁铁制动式电机,装卸过程自动化程度高。